Với những ưu điểm vượt trội về thiết kế, chất lượng và tính năng tân tiến, bồn cầu treo tường trở thành xu hướng sử dụng thiết bị vệ sinh thịnh hành hiện nay. Tuy nhiên, không phải ai cũng biết lắp đặt đúng cách. Đừng lo lắng! Trong bài viết dưới đây, Hùng Lan sẽ chia sẻ về cách lắp bồn cầu treo tường chuẩn chỉnh, nhanh chóng, giúp kiến tạo nên không gian sống tiện nghi.
I. Những lưu ý trước khi lắp bồn cầu treo tường
Để việc lắp bồn cầu treo tường diễn ra thuận lợi và an toàn, cần chú ý những điều sau đây:
- Kiểm tra tình trạng của bồn cầu: Hầu hết các bồn cầu treo tường hiện nay được làm từ sứ, một loại vật liệu dễ bị nứt vỡ nếu chịu va đập mạnh. Vì vậy, trước khi bắt đầu lắp đặt, hãy xem xét thật kỹ để chắc chắn rằng thiết bị không có hỏng hóc nào.
- Đảm bảo hệ thống đường ống cấp và thoát nước ở đúng vị trí: Hãy kiểm tra vị trí của đường ống nước. Ngoài ra, bạn cần tạo ra một khoảng trống để lắp đặt két nước.
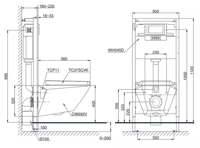
- Nghiên cứu bản vẽ chi tiết của bồn cầu âm tường: Hãy xem xét kỹ sơ đồ cấu tạo, thông số kỹ thuật chi tiết của bồn cầu âm tường đi kèm trong hộp hoặc tham khảo thông qua link sản phẩm trên website của Hùng Lan. Nhờ vậy, bạn có thể tiến hành lắp đặt thiết bị theo thứ tự được hướng dẫn bởi nhà sản xuất.

Kiểm tra tình trạng của bồn cầu treo tường trước khí lắp đặt
II. Chuẩn bị dụng cụ lắp đặt bồn cầu treo tường
Để cách lắp bồn cầu treo tường trở nên dễ dàng và thuận lợi hơn, hãy chuẩn bị đầy đủ những dụng cụ sau:
- Máy khoan
- Mỏ lết hoặc cờ lê
- Kìm
- Livo
- Tua vít
- 1 cuộn băng tan
- 1 thước dây
- Hỗn hợp xi măng, vữa, silicon.
III. Các bước tiến hành lắp đặt bồn cầu treo tường
Sau khi đã sẵn sàng với đầy đủ công cụ, trang thiết bị và xem xét kỹ bản vẽ chi tiết, hãy tiến hành cách lắp bồn cầu treo tường theo 5 bước mà Hùng Lan chia sẻ sau đây:
Bước 1: Xác định vị trí lắp đặt
Đầu tiên, cần xác định đúng vị trí lắp đặt khung, đường ống xả cho két nước âm tường. Đường kính của ống thoát khoảng từ 110 - 114mm. Để có được chính xác vị trí tâm của ống xả, bạn có thể sử dụng thước đo từ bề mặt tường với khoảng cách từ 55 - 115mm. Sau đó, tiến hành lắp đặt van cấp nước và đo độ cao của bồn cầu treo tường, tính từ mặt sàn đến thiết bị.

Bước 2: Khoan các khung cố định
Để đảm bảo việc lắp đặt khung bồn cầu treo tường được chính xác, trước tiên hãy đánh dấu khoan trước. Quy trình lấy dấu bao gồm các bước sau:
- Đặt bồn cầu vào vị trí mong muốn để ướm thử.
- Xác định vị trí đường ống thoát và cấp nước phù hợp.
- Sử dụng một bút để đánh dấu các điểm cần khoan ở bên trong của chân khung và phần tiếp xúc với bề mặt tường.
Sau khi đã lấy dấu thành công, hãy tiến hành khoan theo các điểm đã được cố định trước đó. Tiếp theo, sử dụng keo silicone để gắn kết khung với đường ống thoát nước ở vị trí tương ứng và kiểm tra một lần nữa để đảm bảo sự chắc chắn.
Bên cạnh đó, nếu muốn điều chỉnh góc đổ của khung treo tường theo hướng trước - sau - trái - phải, bạn có thể sử dụng công cụ hỗ trợ như livo. Sau khi đã đạt được vị trí mong muốn, hãy siết chặt ốc để ổn định khung bồn cầu.
Bước 3: Lắp ống tiếp nối
Để đảm bảo chất thải được xả vào đường thoát nước một cách chính xác, bạn cần sử dụng hai ống nối để lắp đặt bồn cầu treo tường. Hơn nữa, việc này cũng đảm bảo duy trì ổn định dòng nước chảy.
Đầu tiên, cần thiết lập hệ thống ống cấp và thoát nước cho bồn cầu treo tường, đánh dấu độ sâu trên thân ống. Kích thước của ống cấp nước và thoát nước lần lượt là L1 và L2. Kích thước chuẩn để cắt ống cấp nước là L1 cộng thêm 6mm, trong khi kích thước chuẩn để cắt ống thoát nước là L2 cộng thêm 3mm.
Bước 4: Lắp bồn cầu treo tường vào bệ giá
Khi tiến hành lắp đặt bồn cầu treo tường vào giá đỡ, đảm bảo rằng hai ống tiếp nối chặt chẽ với ống xả. Trước khi lắp, nên sử dụng kem bôi trơn cho các ống. Sau khi đã treo thành công bồn cầu, dùng livo để điều chỉnh và đảm bảo rằng bàn cầu đang nằm trong vị trí phẳng và siết chặt bulong để cố định vị trí đó một cách vững chắc.
Bước 5: Lắp đặt két nước và nút nhấn xả
Cuối cùng, trước khi hoàn thành quá trình lắp đặt bồn cầu treo tường, hãy kết nối nút nhấn xả với hệ thống két nước.
- Tiến hành nối dây cấp nước, lắp khay bắt đũa và nút nhấn xả.
- Đặt khay vào vị trí và siết chặt ốc.
- Kiểm tra độ dài của que nhấn. Sử dụng tay thử nút nhấn để kiểm tra lại.
Lưu ý: Các hướng dẫn lắp đặt ở trên chỉ mang tính chất tham khảo. Tùy thuộc vào sản phẩm cụ thể, các hãng có các quy trình lắp đặt riêng, phù hợp với chức năng và kích thước. Vì vậy, cần tuân theo hướng dẫn chi tiết về cách lắp đặt bồn cầu treo tường được cung cấp bởi nhà sản xuất và đính kèm trong hộp.
>> Tham Khảo Thêm:
IV. Kiểm tra sau khi lắp đặt bồn cầu treo tường
Để quá trình sử dụng diễn ra thuận lợi, sau khi lắp đặt xong, cần kiểm tra lại tình trạng của sản phẩm.
Khi đã thực hiện xong 5 bước về cách lắp bồn cầu treo tường, nếu nước chảy ra ít, bạn hãy kiểm tra áp lực nước của nguồn đã đúng chưa. Hoặc quan sát xem đường dẫn nước bị tắc nghẽn ở đâu.
Bên cạnh đó, trong quá trình sử dụng, tuyệt đối không vứt giấy, băng vệ sinh hay bỉm vào bồn cầu, nhằm giúp thiết bị hoạt động thông suốt và không tắc nghẽn.
Trên đây là bài viết chia sẻ về cách lắp bồn cầu treo tường đúng chuẩn, giúp người dùng có thể dễ dàng thực hiện tại nhà. Nếu có bất kỳ thắc mắc gì liên quan đến sản phẩm hoặc muốn tìm mua thiết bị vệ sinh chính hãng, giá tốt, xin hãy vui lòng liên hệ với Hùng Lan qua số hotline để được tư vấn một cách chi tiết và tận tâm!








